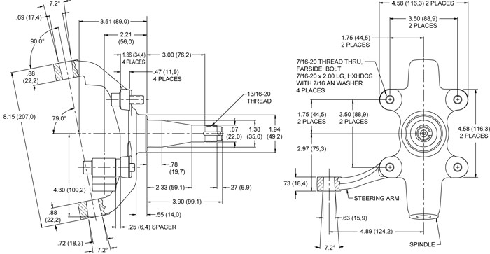
Wilwood’s ProSpindle is specifically designed for use in fabricated A-arm suspensions on kit cars, street rods, drag cars and other custom or race applications configured around Pinto/Mustang ll suspension geometry. It is lightweight yet nearly three times stronger than OE or aftermarket two-piece cast iron and steel replacement spindles. The 2″ dropped spindle pin provides the desired lowered ride height without disturbing the suspension geometry.
Single spindle.
L/H or R/H
Can only be used with Wilwood Brake Kits






Reviews
There are no reviews yet.